x
乐动(中国)
关于我们
产品中心
核心能力
工程案例
乐动网站资讯
联系我们
乐动(中国)
关于我们
产品中心
核心能力
工程案例
乐动网站资讯
联系我们
0512-55237365
产品中心
products
UPVC国标化工管件
当前位置:
乐动(中国)
>
产品中心
>
管件阀系列
>
UPVC国标化工管件
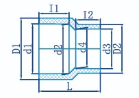
异径直接
联系我们 +
产品说明
<
上一篇:
法兰盲板
下一篇:
内丝直接
>
乐动(中国)
关于我们
企业简介
企业荣誉
公司环境
产品中心
板材系列
化工管道系列
给排管道系列
管件阀系列
核心能力
核心能力
工程案例
工程案例
乐动网站资讯
企业乐动网站
行业乐动网站
联系我们
联系我们
在线留言
版权所有:乐动网站
苏ICP备13029626号-1
【免责声明】
乐虎lehu唯一官网
|
大发在线登录
|
广发体育(中国区)官方网站
|
乐鱼网站
|
大发在线登录
|
华体会集团有限公司
|
1688官网登录入口
|
乐玩官方网页版
|
五大联赛APP官网
|